K4J
Schéma du circuit d'admission d'air

K4M
Schéma du circuit d'admission d'air

K9K
Schéma du circuit d'admission d'air

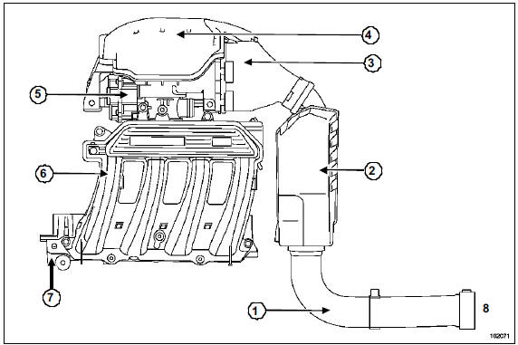
F9Q
Schéma du circuit d'admission d'air

F4R
Schéma du circuit d'admission d'air

Caractéristiques
Filtre à airMasses
Les masses indiquées sont celles d'un véhicule de base et sans options :
elles varient en fonction de l'équipement de
votre véhicule. Consultez le Représentant de la marque.
Masse Maximum Autorisée en Charge (MMAC)
Masse Totale Roulante (MTR)
...
Aide à la réparation
EVOLUTIONS DANS LE DIAGNOSTIC SUR LA MEGANE II
Une aide à la détection de calculateur ou de segment défaillant :
En cas de paralysie globale du réseau multiplexé, cette commande permet
d'isoler des segments du réseau
multiplexé et ainsi de m ...
Tableau de bord : Description
fonctionnelle
I - AUTODIAGNOSTIC
Tous les tableaux de bord sont équipés d'un autodiagnostic.
Pour mettre en oeuvre l'autodiagnostic :
insérer le badge dans le repose-badge,
appuyer sur la touche " ADAC " (aide à la conduite),
effectuer un appui long sur le ...