Revue technique Renault Megane: Navigation "bas de gamme" :
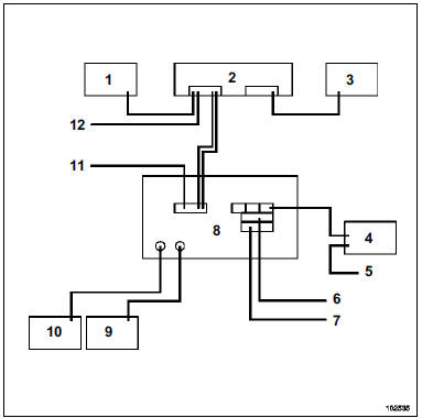
Description du système

- Information température extérieure
(Unité centrale habitacle)
- Afficheur déporté
- Commande au volant
- Changeur de disques compacts
(planche de bord ou coffre)
- Information éclairage (uniquement
pour changeur en planche
de bord)
- Sorties haut-parleurs
- Alimentations véhicules (+ avant
contact / + accessoires / masse /
mute radio / information vitesse /
alimentation antenne)
- Radionavigation
- Antenne de réception GPS
- Antenne radio
- Liaison multiplexée véhicule
(information marche arrière /
type de véhicule / + après contact)
- Alimentations véhicule (+ avant
contact / + accessoires / masse /
éclairage)

Le système permet un fonctionnement temporisé, sans
alimentation + accessoires, de 20 minutes environ.
La radionavigation émet un signal sonore puis s'éteint.
FONCTIONS ASSURÉES PAR LE SYSTÈME
- Ecouter la radio (quatre zones géographiques sont à
programmer),
- Afficher le nom de la station (RDS), sur le meilleur
émetteur (fonction AF),
- Recevoir les informations routières (fonction " I
Trafic "),
- Recevoir les flashs d'information et les annonces d'urgence
(fonction " I News "),
- Recevoir les annonces d'urgence de type sécurité civile
(" PTY 31 "),
- Lecture des disques compacts,
- Pilotage d'un changeur de disques compacts,
- Guidage du véhicule par une synthèse de parole et
des symboles sur l'afficheur,
- Affichage des messages " information trafic " (selon
version).
Selon le niveau d'équipement, le véhicule peut être
équipé :
d'une navigation " bas de gamme " (radionavigation),
d'une navigation " haut de gamme ...
I - PARTICULARITÉS DES FONCTIONS RADIO
1 - Radio
Le tuner utilise trois modes de sélections visibles à
l'écran et accessibles par la façade de la
radionavigation ...
D'autres materiaux:
Traitement des états et paramètres
calculateur
PARAMETRES
PR001 : Vitesse de roue avant droite.
PR002 : Vitesse de roue avant gauche.
PR003 : Vitesse de roue arrière droite.
PR004 : Vitesse de roue arrière gauche.
Ces paramètres indiquent la vitesse en km/h de chaque roue du véhicule.
PR005 : Tension a ...
Aide
RESISTANCE ELECTRIQUE DES COMPOSANTS
MOTEUR K4J
Température ambiante ~ 20 C :
RESISTANCE ELECTRIQUE DES COMPOSANTS
MOTEUR K4M
Température ambiante ~ 20 C :
RESISTANCE ELECTRIQUE DES COMPOSANTS
MOTEUR F4R
Température ambiante ~ 20 C :
MOTEURS K4J - K4M - F4R
Va ...
Panneau de porte latérale avant
Le remplacement de cette pièce est une opération de
base pour une collision latérale.
Les informations concernant les pièces
complémentaires ou de déshabillage seront traitées
dans leurs chapitres respectifs.
COMPOSITION DE LA PIECE DE RECHANGE ...